带你解锁高阶版“工具人”使用手册
来源:中国科普博览
我们的肉眼能分辨几个微米的物体,比如蜘蛛丝、头发丝,但是如果比这些东西更小,肉眼无法识别,又该如何认识它们呢?
这就是光学显微镜和电子显微镜大显身手的时候了!一起来认识一下这两位“工具人”吧。
光学显微镜和电子显微镜的基本工作原理有些相似,都是依靠一种媒介(光子或者电子)和样品的相互作用(散射、反射等),然后用探测器接收信号,最终成像。
黑白色为电子显微镜拍摄图彩色为光学显微镜拍摄图
Part。 1
光学显微镜
光学显微镜的肚子里有一组组的透镜,它们组合成一个“超级放大镜”,就可以将微米级别甚至纳米级别的微生物或者细微结构放大到肉眼可见。
但是仅仅看到一个细菌,一个细胞,科学家们远远不满足。他们的目标是观察到更“迷你”更多彩的微观世界,比如纤毛、胞内蛋白、细胞骨架、生物膜结构等。
光学显微镜种类有很多,包括宽场荧光显微镜、激光共聚焦显微镜等。它们可以识别不同的荧光,而荧光染料和荧光标记的抗体能特异性地结合细胞内的蛋白质,从而可以看清细胞表面的纤毛、细胞器、细胞骨架、细胞内部游动工作的蛋白质……
图为宽场荧光显微镜
图为激光共聚焦显微镜
比如我们想观察细胞核,就可以使用特定的细胞核染料,染料中的荧光素被特定波长的光激发,发出荧光,荧光显微镜就能捕捉到它们。通过宽场荧光显微镜,你会发现细胞核的形态被荧光“勾勒”得“纤毫毕现”。
如果有更多的特定细胞结构的染料,而这些染料可以被不同波长的光激发,那么我们就可以在同一视野同一时间检测到多个形态结构了。
蓝色和红色为特殊的核染料,画面中红色指示凋亡的细胞
如果把宽场荧光显微镜比喻成 “胸片”,那么激光共聚焦显微镜就像是“CT”。
相比普通的宽场荧光显微镜,激光共聚焦显微镜在它们的基础上增加了激光扫描设备,可以对细胞内的精细结构进行断层扫描,具有更高的空间分辨率及图像对比度,在观察到多个荧光信号的同时形成清晰的三维图像。
左为激光共聚焦显微镜成像,右为宽场荧光显微镜成像,是不是左边更清晰呢?
Part。 2
电子显微镜
电子显微镜的分辨率(0.2纳米)远高于光学显微镜的分辨率(200纳米),观察超微结构,电子显微镜更胜一筹。
生物电子显微镜可以分为透射电镜和扫描电镜。
图为透射电镜
图为扫描电镜
透射电镜工作时,电子射到样品上,样品上质量密度高的地方对电子的散射角大,通过的电子较少,像的亮度较暗;在质量密度低的区域,大角度散射电子少,透过的电子较多,像的亮度较亮。这样,在荧光屏上就形成了一个有明暗反差对比、容易辨认的电镜图像。
电子束就像一束光,“照射”厚薄不同的地方时形成明暗交替的光影,可以让科学家们看清在荧光显微镜下难以辨认的微观图像。
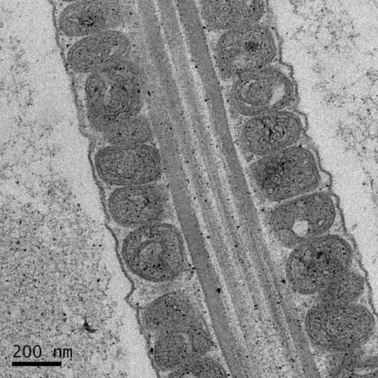
透射电镜下可以看到小鼠精子尾巴中间的轴丝周围密布着特化的线粒体,为精子的游动提供充足的能量。
扫描电镜工作时,电子束打在样品上会发射二次电子,二次电子发射量随样品表面形貌而变化,二次电子被探头接收转化成电信号,最终在电脑上呈现出反应样品表面形貌的二次电子像。
扫描电镜的图更像是“描绘颜值”,左图中这朵50微米大小的“雪绒花”由涡虫皮肤表面粘液和制样时的结晶盐形成。右图为单个小鼠精子。
透射电镜观察样品超微结构,要求观察样品非常薄,一般在10nm~100nm之间。观察的生物样品可以是细胞、动植物组织、酵母、细菌等。
扫描电镜一般观察样品表面形貌,对厚度没有太大要求。可以用来观察动植物组织、细胞爬片,但生物样品含水量高且不具有导电性,观察前需要经过脱水和喷金处理。
真实的微观世界,远没有大千世界那么绚丽多彩。它朴实、无华,和你想象中的样子也许不同,却真实而灵动,蕴藏着生命的智慧。
而不论是光学显微镜还是电子显微镜,它们都是科学家们的“另”一只眼睛。
看似平平无奇,却无时无刻不在用“心”观察生命体中每一个微小零部件的运作规律,科学家们探索生命奥秘路上的每一步都有它们的付出。
